產品
Products
綜述
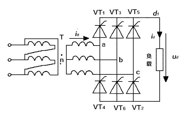
三相橋式半控整流線路系統借助變壓器與電網連接,通過變壓器的藕合,晶閘管模塊主線路取得1個適合的輸入電壓,使晶閘管模塊在過大的功率因數下運作。變流主線路和電網間用變壓器隔離,還能夠抑制由變流器進到電網的諧波成分。保護線路選用RC過電壓抑制線路完成過電壓保護,通過快速熔斷器完成過電流保護。選用鋸齒波同步KJ004集成觸發線路,通過1個同步變壓器對觸發線路定相,確保觸發線路和主線路頻率相同,觸發晶閘管模塊,使三相半控橋將交流整流成直流,推動直流電動機運轉,運行在電動模式。
亮點
特點和優勢
1、緊湊的設計、兩顆螺絲安裝
2、通過直接銅板進行傳熱和隔離(低R th)
3、穩定狀態下的低電阻和高可靠性
4、高浪涌電流、低正向電壓降
5、帶DCB陶瓷基板的包裝
6、隔離電壓3000 V~
7、平面鈍化芯片
8、適用于PC板焊接的引線
應用領域
1、適用于旋轉方向固定的直流驅動器
2、直流電動機的受控場整流器
3、受控電池充電器
4、PWM逆變器的輸入整流器
5、電池直流電源
1、緊湊的設計、兩顆螺絲安裝
2、通過直接銅板進行傳熱和隔離(低R th)
3、穩定狀態下的低電阻和高可靠性
4、高浪涌電流、低正向電壓降
5、帶DCB陶瓷基板的包裝
6、隔離電壓3000 V~
7、平面鈍化芯片
8、適用于PC板焊接的引線
應用領域
1、適用于旋轉方向固定的直流驅動器
2、直流電動機的受控場整流器
3、受控電池充電器
4、PWM逆變器的輸入整流器
5、電池直流電源
詳情
如圖所示為三相半控橋帶阻感負載,按照需求要考慮到電動機的電樞電感與電樞電阻,故為阻感負載。其線路運行特性是共陰極組晶閘管模塊一定要觸發才可以換流,而共陽極組二極管往往是在自然換相點換流。因此一周期時間中依然換流6次,3次為自然換流,其他3次為觸發換流。變壓器為△-Y型接法。變壓器2次側接成星形取得零線,而1次側接成三角形規避3次諧波流入電網。
上述所言是整流模塊廠家傳承電子對三相半控整流橋的介紹,傳承電子是1家以電力電子工藝為專業領域的功率半導體功率模塊供應商,為各的企業公司供應半導體功率模塊的制定、生產加工和生產,另外也為各企業供應來料代加工或貼牌加工業務。主營商品有:igbt模塊、晶閘管(可控硅)模塊、超快恢復外延二極模塊、單相整流橋模塊、三相整流橋模塊、整流二極管模塊、肖特基二極管元件功率模塊等功率半導體電子元器件。
產品







