產品
Products
綜述
單相橋式半控整流線路中要有續流二極管的情況通常是有抑波大電感或 是電機等電感性負載中。續流二極管的功能是為避免 脫控。全橋半控的最大的優點是每一個橋臂中只有一個晶閘管模塊,另1個整流管是二極管。所以,晶閘管模塊是在有觸發信號時換流,而二極管是在工作電壓過零時換流。
亮點
異常情況下,如觸發信號忽然消失或 觸發信號控制角大到180度時,已導通的晶閘管模塊將不能自主斷開,VD3、VD4輪流導通,變為不可控整流線路了。輸出線路仍有工作電壓輸出,但是,線路這時輸出的工作電壓是單相半波整流工作電壓了。為了更好地避免 這類情況出現,保證晶閘管模塊在每一個周期都能斷開,需要增加續流二極管。
詳情

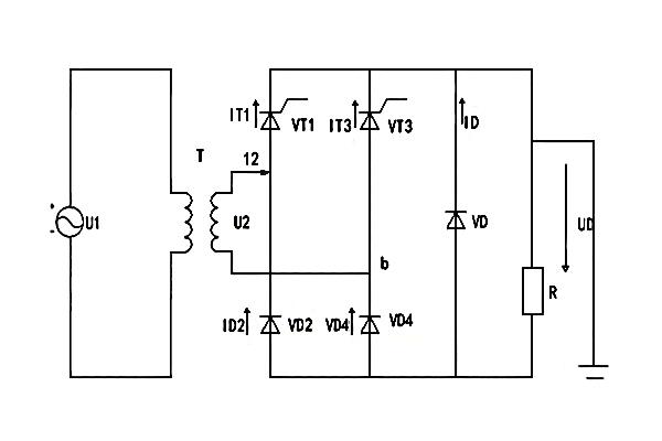
半控整流電阻負載加續流二極管原理圖
基本工作原理
當U2正半周時,在wt=α時候,觸發晶閘管模塊VT1使其導通,電流從電源U2正端-VT1-R-VD4-U2負載向負載送電。
U2過零變負時,負載電流經續流二極管,使橋路直流輸出只有1V之間的壓降,促使晶閘管模塊與二極管串接線路中的電流減少到維持電流之下,使晶閘管模塊斷開,不能出現脫控情況。
在U2負闐周wt=π+α時候,觸發VT3使其導通.則VT1接受反壓而斷開,U2經VT3-R-VD2-U2端向負載送電。
U2過零變正時,負載電流經續流二極管,使橋路直流輸出只有1V之間的壓降,促使晶閘管模塊與二極管串接線路中的電流減少到維持電流之下,使晶閘管模塊斷開,重復上述過程。
以上所說是整流模塊廠家傳承電子對單相半控整流橋帶續流二極管的講解,傳承電子是1家以電力電子技術為專業領域的功率半導體功率模塊供應商,為各的企業公司提供半導體功率模塊的制定、生產加工和生產,除此之外也為各公司提供來料代加工或貼牌加工業務。主營產品有:igbt模塊、晶閘管模塊(可控硅)、超快恢復外延二極模塊、單相整流橋模塊、三相整流橋模塊、整流二極管模塊、肖特基二極管元件功率模塊等功率半導體電子元器件。
產品







