產品
Products
綜述
igbt功率模塊中通稱的一單元是指單管,二單元是指單個橋臂,四單元是指單相橋(H橋),六單元是指三相橋,七單元通常是六單元+制動單元,八單元是六單元+制動單元+預充電單元。
亮點
六單元IGBT模塊的優勢:
1、較高的斬波頻率(4到16KHz);
2、相同功率的一支六單元IGBT模塊元件替換了3只雙igbt模塊元件;
3、根據實際運作的觀測,可靠性提升了5倍;
4、功率板的可靠性極大地增加,這是由于功率器件間是直接焊接的;
各種功率線路的布局緊湊地排布在一起;(PFC整流、逆變器、靜態開關等)減低了分布電抗,改進了電磁兼容性六單元IGBT模塊性能。
六單元IGBT模塊在應用領域上的優勢
1、選用六單元IGBT模塊在UPS領域中將成為1種發展趨勢:
2、更出色的性能和更好的可靠性:六單元IGBT模塊高頻開關性能是完成PFC的基本,PFC作用將降低輸入電流量的諧波失真度(THDI<3%),進而不會需要諧波濾波器;
3、更小的容積;
4、優化的成本:選用半導體集成零件比變壓器電抗器的成本更低而性能更出色;
5、更簡便的框架結構:很少的機械零部件和電氣零件;功率線路的直接焊接;很少的聯接點和聯接線;更緊湊的排布,減短連接線長度和線路阻抗;
6、提升了開關頻率:音頻區域的噪音明顯降低。
1、較高的斬波頻率(4到16KHz);
2、相同功率的一支六單元IGBT模塊元件替換了3只雙igbt模塊元件;
3、根據實際運作的觀測,可靠性提升了5倍;
4、功率板的可靠性極大地增加,這是由于功率器件間是直接焊接的;
各種功率線路的布局緊湊地排布在一起;(PFC整流、逆變器、靜態開關等)減低了分布電抗,改進了電磁兼容性六單元IGBT模塊性能。
六單元IGBT模塊在應用領域上的優勢
1、選用六單元IGBT模塊在UPS領域中將成為1種發展趨勢:
2、更出色的性能和更好的可靠性:六單元IGBT模塊高頻開關性能是完成PFC的基本,PFC作用將降低輸入電流量的諧波失真度(THDI<3%),進而不會需要諧波濾波器;
3、更小的容積;
4、優化的成本:選用半導體集成零件比變壓器電抗器的成本更低而性能更出色;
5、更簡便的框架結構:很少的機械零部件和電氣零件;功率線路的直接焊接;很少的聯接點和聯接線;更緊湊的排布,減短連接線長度和線路阻抗;
6、提升了開關頻率:音頻區域的噪音明顯降低。
詳情
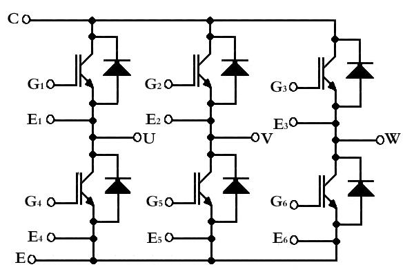
六單元IGBT模塊又稱之為三相橋(3-Phasebridge模塊的內部等效電流量)如下圖所示。


圖三相橋模塊的內部等效電路
三相橋模塊也稱之為6in1模塊,用作直接組成三相橋線路,也可以將模塊中的3個半橋電路并聯組成電流規格大3倍的半橋模塊。三相橋常見的領域是變頻器和三相UPS、三相逆變器,不一樣的應用對igbt模塊的需求各有不同,故制造商習慣上會發布以實際應用領域為產品名字的三相橋模塊,如3-Phaseinvertermodule(三相逆變器模塊)等。
以上所述是igbt功率模塊廠商傳承電子對其功率模塊的介紹,傳承電子是1家以電力電子技術為專業領域的功率半導體功率模塊生產商,為各的企業公司提供功率半導體功率模塊的制定、生產制造和加工,除此以外也為各企業提供來料代工生產或貼牌加工業務。主要產品有:igbt模塊功率模塊、晶閘管(可控硅)功率模塊、超快恢復外延二極功率模塊、單相整流橋功率模塊、三相整流橋功率模塊、整流二極管功率模塊、肖特基二極管功率模塊等功率半導體電子元器件。
產品







