綜述
在具體工業制造中,因設備容積的規模越來越大,而在能量轉換中起到重要的功率器件能夠承載的通斷工作電壓和通態電流量卻面臨目前功率半導體生產水平的限制,迫使人們從逆變拓撲結構角度進行鉆研以滿足實際需求。這類拓撲結構在具體工業制造實地取得了廣泛性的運用。
亮點
與普通兩電平逆變器相比較三電平逆變器擁有以下的優勢:

(1)在直流母線電壓一定的條件下,開關元器件的耐壓性級別減少一半;

(2)在相同開關頻率下,三電平逆變器輸出電壓的諧波占比減少50%;

(3)使用相同功率級別的開關元器件,輸出功率能夠提升一倍。
詳情
為了能充分挖掘系統方面的設計優勢,以前主要集中在大功率使用的三電平中點鉗位(NPC)拓撲線路近年來也逐漸開始出現在中、小功率使用中。低電壓元器件不斷改進后的頻譜特性和更低的開關損耗,可使UPS系統或太陽能逆變器等需用濾波器的設備獲益匪淺。至今為止,為了能完成三電平線路,僅有利用選擇分立式元器件或至少將3個模塊結合在一塊。如今,選擇針對較高擊穿電壓的芯片技術,利用將三電平橋臂集成化到獨立模塊中,另配上驅動電路,就能夠使得這類拓撲在新的使用中更具吸引力。

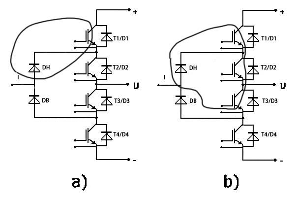
三電平NPC拓撲的原理

在三電平NPC的拓撲中,每一個橋臂由4個帶反并二極管的IGBT以串連的形式連接,同時另配上2個二極管DH和DL,將兩者之間節點連接到直流母線的中性點。當中所選擇的全部功率半導體都具有一樣的擊穿電壓。按照輸出電壓和電流的特性,一種周期的基頻輸出有4個不同續流運行狀態。
圖1.三電平NPC中某一種橋臂的換流回路。a)短換流回路;b)長換流回路

從圖1a能夠得出,電壓和電流處在正方向,T1和DH構成了BUCK線路的工作方式,而T2則以常通的形式輸出電流。而電壓和電流處在負向期間,T4與DB構成了BOOST線路的工作方式,T3以常通形式輸出電流。在以上2種狀態下,換流僅有出現在2個元器件中,我們稱作短續流。但當輸出電流為負向而電壓為正向的狀態下,經過T3和DB的電流務必如圖1b)所示換相至D2和D1。這類換流牽涉到4個元器件,所以稱作長換流回路。

以上所述就是IGBT功率模塊廠商傳承電子對其功率模塊的說明,傳承電子是一家以電力電子技術為專業領域的功率半導體功率模塊生產商,為各的企業公司供貨功率半導體功率模塊的制定、制造和加工,另外更為各公司供貨來料代工生產或貼牌加工業務。主要產品有:IGBT功率模塊、晶閘管(可控硅)功率模塊、超快恢復外延二極功率模塊、單相整流橋功率模塊、三相整流橋功率模塊、整流二極管功率模塊、肖特基二極管功率模塊等功率半導體元器件。

產品

Product

Product Status

Voltage Class

IC(nom) / IF(nom)

 
 

Configuration

Technology

VCE(sat)Tvj=25℃typ

 
 

Packages

Replace